Svet-Stranek.cz
Astrofotografie - Jan Filip

Jednodeskové počítače - možnosti v r. 2022:Amatérská astrofotografie

Jednodeskové počítače - možnosti v r. 2022

Vzhledem k tomu, že se mi sešlo několik opakujících se dotazů ohledně sestavení počítačů určených k ovládání montáží, sepsal jsem zde pár možností, které jsou platné pro konec roku 2022.

Návod i plánek je dispozici volně. Nicméně se zříkám jakékoliv právní důsledků za případné škody na zdraví, majetku či vybavení, způsobených ať chybným zapojením, špatnou volbou součástek či nepřesnostech v návodu. Vše činíte na vlastní zodpovědnost! Berte to tak, že i když jsem návod a zapojení kontroloval, vždy je zde šance nějaké neúmyslné chyby.

Obecně se domnívám, že stavba počítače se vyplácí pouze pokud chcete používat OS WIN 10. V případě Linuxu již úspora není až tak výrazná, tam spíše vstupuje do hry dostupnost. Uváděné komerční výrobky jsou ve velké většině nedostupné a je velice pravděpodobné, že díky událostem posledních dvou let po zařazení do opětovného prodeje, bude jejich cena ještě vyšší. Rozhodnutí je ovšem na každém z vás.


Úvodem:


Hned na začátek mi dovolte, abych ujasnil jednu důležitou věc. V současné době, až na ojedinělé případy, tyto počítače na zakázku již nesestavuji. Rozhodl jsem se tak z důvodu dohadování o cenách, součástkách a podobně. Za sestavení a instalaci jsme si obvykle říkal o 1500,-. Bohužel i tato částka se mnohým zdála dosti vysoká a rozhodli se se mnou spekulovat. Je v celku zajímavé, že tyto problémy se týkaly pouze uživatelů v ČR.

Proč jsem zvolil tento úvod? Bohužel se mi již stalo, že někdo poptával sestavení počítače. Já jsem věnoval svůj čas k výčtu možností a sestavení nějakého finančního rámce a po pár dnech mi přišla zpráva, že je výsledná cena vysoká či nějaké požadavky o tom, zda k výrobku dávám prohlášení o shodě... Svého času si dostatečně vážím na to, abych ho ztrácel během předem prohraného vysvětlování. 

K dokreslení uvedu příklad, kdy jsem sestavoval na zakázku model s Panda Delta, uvnitř 3 Arduino moduly (ostření, výkonové ovládání vyhřívaní, sledování stavu oblohy) a těsně před dokončením mi bylo řečeno, že od záměru koupě odstupuje. Naštěstí se mi podařilo tuto specifickou verzi prodat mimo ČR, takže náklady se zaplatily. Nicméně to byla poslední kapka.

Nic vám samozřejmě nebrání si něco takového sestavit dle svého uvážení, popřípadě koupit komerční výrobek. :D

EagleLE_-_15_730,-(Windows10)

A jaké jsou výhody oproti notebooku? Zcela určitě ve velikosti, hmotnosti a možnosti využít i napájení externích zařízení, jako třeba vyhřívání, DSLR, ostření a podobně... Také je vhod odolnost proti venkovní vlhkosti a nízká energetická náročnost. 

Mezi nevýhody rozhodně patří cena - pokud ji srovnám s bazarovým notebookem a nutnost minimálně základního elektronického vzdělání.

Takže pokud nejste schopni akceptovat cenu od  cca 5 000,- a to i v případě, že si to sestavíte sami, není tato možnost pro Vás. Jak jsem dospěl k této částce, dozvíte se níže.

A pokud by jste  si chtěli nechat nějakou verzi sestavit ode mne, můžete mě zkusit kontaktovat, ale rozhodně nic neslibuji.... 

Tento článek volně navazuje a doplňuje nějaké informace z předchozích článků. Jeden je dostupný ZDE, druhý ZDE a třetí ZDE (dostupné na klik). Ceny uváděné v předchozích článcích již nejsou aktuální.

Jednodeskové počítače - situace koncem roku 2022


Bohužel, situace s Covidem19 změnila mnoho průmyslových odvětví - to se týká i počítačového segmentu. Mnoho základních desek, které by přicházeli k úvahu ke stavbě, je nedostupná. Uváděná cena je pouze za základní desku. 

Takže zde shrnu nějaké možnosti, které máte:

Možnost: 1
Cena: 4 400,-
OS: Linux

Tato varianta je vhodná pro uživatele, kteří preferují OS Linux.  Výhodou je, že disponuje 4 USB konektory, jenž budou hned vpředu. Mezi plus patří i RTC.  Pokud vám stačí přímo k dispozici 4 USB a nevadí Linux, je to dobrá volba. Tuto verzi používám pro testování kombinaci Linuxu a astro vybavení.

Hodnocení: 80%



Obr.1 - Radxa Rock Pi 4 B+ 


Možnost: 2
Cena:  2 800,- až  6 300,-
OS: WIN 10

Přestože tuto variantu mám doma, běží mi na ní dva dalekohledy, pro montáž je to tak trochu černý kůň. Začneme s RAM. Pokud chcete, aby na tom běžel Win 10, nemá smysl jít do jiné varianty, než 4 GB.  V současné době je také k dispozici pouze ta nejdražší varianta s OS Win 10. Pokud zprovozníte RTC, přijdete o záruku. Problematická je i podpora USB 2 - USB 3 běží bez problémů a k němu vážu připojení dalších periférií. Pokud zrovna máte štěstí a trefí se na model s plně funkčními USB 2, tak celkově máte k dispozici přímo 6 USB.  V  tom případě lze rozšířit HDD na 128 GB. Mezi nevýhody zcela určitě patří to, že USB jsou vyvedeny formou HUBu. Zde důrazně doporučuji použít nějaký značkový, s konstrukcí z AL. Ne nějakou plastovou Čínu. Osobně tuto možnost příliš nedoporučuji, je tam příliš mnoho proměnných, které nejdou zjistit do předu a nejsou důvodem k reklamaci. Ostatně problémy se kterými se můžete setkat, jsem shrnul ZDE (dostupné na klik). Jak jsem se zmínil, je v celku paradoxem, že na této sestavě mě běží hned dva dalekohledy. U jedné verze jsem měl štěstí, že jsem dostal tu "lepší", druhá byla ta problematická. Ale s oběma funguju vcelku bez výraznějších problémů....

Hodnocení: 50% - 70%


Obr.2 - Latte Panda


Možnost: 3
Cena: 6 300,- (s rozšířením 8 000,-)
OS: WIN 10

Tuto variantu mám nejraději. Jediné mínus spatřuji v přítomnosti USB pouze typu 2. Ano, má jeden i 3.0, ale ten je standartu OTG, takže astro příslušenství k němu nepřipojíte, ale je zase vhodný pro externí úložiště. Disponuje samozřejmě i RTC. Lze k němu i dokoupit interní modul s Wi-Fi, který také rozšíří celkový počet USB na 6. A to je hodně slušné. Bohužel tento kablík s Wi-Fi modulem stojí s dopravou cca 1625,- Kč. Dostupné_na_klik_ZDE. 

Používám na širokoúhlé sestavě. 

Hodnocení: 90%


Obr. 3 - UpBoard

Možnost: 4
RPI 4B
Cena: 3 700,- až 4 900,-
OS: Linux

Pokud budete mít štěstí, můžete sehnat i tuto variantu. Volil bych variantu s 4GB RAM, popřípadě 8 GB RAM. Bohužel v současné době je k sehnání pouze v nějakých setech, ty jsou ale výrazně draží. Počet portů USB 4, 2 USB 2.0 a 2 USB 3.0. Nutné doplnit o RTC.

Hodnocení: 80%


Obr.4 - RPI 4B+


Shrnutí desek:


Takže jakou desku zvolit? Výběr je na Vás. Mé doporučení je UP Board, ale připlatit si i za ten kablík s Wi-Fi a jako druhou, ekonomičtější variantu Latte Pandu - i s případnými omezeními.  Dá se s nimi žít. To se týká OS s WIN. Pokud nevadí Linux, volil bych Radxa Rock PI.


Ostatní součástky:


Zde uvádím součástky, které k výrobě obvykle potřebuji.

Spotřební materiál (pájka, spojovací materiál, dráty, dutinky) cca 200,-

Celkem: cca  1100,- V ceně není započítána doprava.

Časová náročnost:


K základnímu sestavení HW je obvykle potřebována doba kolem 5-10 hodin, dle šikovnosti a strojnímu vybavení. Obvykle je potřeba vrtačka, závitníky a příležitostně nějakou elektrickou či ruční lupínkovou pilku. Ta slouží k vyříznutí otvorů pro USB a LAN u všech variant, kromě Latte Pandy. Pro konektory doporučuji použít korunkový vrták pro plast či pro AL. Samozřejmě je třeba také pájecí pero a kleště na dutinky.

K nainstalování SW je potřeba také zhruba čas kolem 10 hodin. V tom je započítána základní instalace WIN 10 a všech jeho aktualizací, což se někdy hold protáhne. Pokud se rozhodnete provést instalaci doplňkových katalogů pro Platesolving, je možné, že čas pro instalaci bude delší.

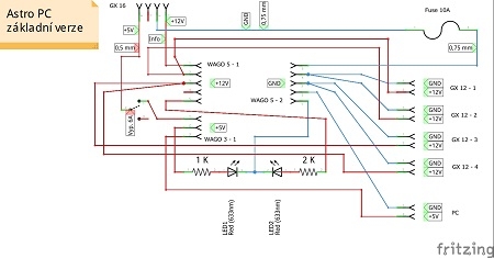
Základní zapojení a energetická náročnost


Základní elektrické zapojení je k dispozici ke stažení ZDE_(dostupné_na_klik).

U zapojení byl kladen důraz na jednoduchost. Pokud by jste prováděly modifikaci zapojení, tak pojistka by šla přesunout na 12V  a 5V větev, tj. pojistky by byly celkem dvě. Tím by byly obě větve jištěny nezávisle na sobě.


Obr. 5 - schéma zapojení, vyšší rozlišení lze stáhnou přes odkaz v textu

Energetická náročnost se obvykle pohybuje v těchto mezích. Vyhřívání pro pointaci 0,3A - 0,5A, vyhřívání pro dalekohled 0,7A - 1,2A, ostření 0,3A - 0,6A. Napájení pro DSLR je téměř zanedbatelné.

Celkové zatížení na konektorech GX 12 nepřekračujte 5A. Z toho důvodu nedoporučuji z těchto konektorů napájet CCD kameru. Ta může mít v případě spuštěného chlazení i 5A. Pokud by jste i tak chtěli z těchto konektorů napájet i CCD, je nutné použít větší průměr vodičů.

V plánku u štítku Info je možné připojit vypínač, který by sloužil k zapnutí a vypnutí 12V části - nicméně jeho přítomnost není nutná.

Stejně tak lze vynechat i pojistku, v případě  instalace volte její velikost dle odběru soustavy. Obvyklá hodnota je mezi 5A - 10A. Nezapomenout zvolit pojistku pro správné napětí.

Distanční sloupky pro instalaci základních desek PC volím minimálně 5 mm, obvykle ale 10mm. Také pod DPS dávám pro jistotu izolační pertimax nebo minimálně slídový papír. Jedna z možností třeba zde - dostupné_na_klik. Člověk je klidnější, když je deska s počítačem oddělena izolací od AL krabičky. Ale pozor. Pokud přenesete počítač z mrazu do vyhřáté místnosti, zcela jistě dojde ke kondenzaci vlhkosti uvnitř krabičky a pak už je jenom otázka času, kdy a kde co selže. Buďto dojde někde ke zkratu, nebo ke korozi. Vždy proto výrobek aklimatizujte postupně. Při focení se procesor zahřívá i na 70 stupňů Celsia, takže by se dalo říci, že je vnitřek vyhříván. Ostatně ale ani dalekohled, pokud mu nechcete ublížit, nenosíte přímo ze zimy do vyhřáté místnosti. Myslete tedy i na to. Ano, existují i zalévací hmoty pro elektroniku, třeba na bázi MC35-W21, které by toto eliminovaly, ale osobně s nimi ještě nemám žádnou zkušenost. 


Obr. 6 - obvyklá podoba zadního panelu PC
(vždy 4xGX 12, 1x1 USB 3.0 či 1x2 USB 3.0, 1x anténa Wi-Fi a 1xHDMI, zde starší verze,  nově se šroubky na pohledové horní ploše nevyskytují)


Obr. 7 -  obvyklá podoba Latte Panda
(vstup 1xGX 16, 4 pin a 2xLED - signalizace napětí ve 12V části a signalizace napětí v 5V části společně s vypínačem)


Obr. 8 - jedna z dalších variant, verze UPboard
(toto je starší verze,  nově se šroubky na pohledové horní ploše nevyskytují

Pár slov závěrem


Nyní zmíním ještě pár detailů, které se vám můžou při stavbě hodit. 

Jako Wi-Fi anténu používám mini anténu se 3dbi zesílením. Je sice miniaturní, ale dostačuje. Ta velikost je opravdu velké plus. Nemusí se člověk v terénu bát toho, že ji ulomí.

Vzhledem k tomu, že využívám router, který je při výjezdech vzdálen od sestavy pár metrů, je její výkon dostatečný. Nicméně i v jiných případech, které jsem testoval, tato anténa stačí. Je pro pásmo 2,4 GHz i 5,8 GHz. Odkaz: dostupné_na_klik_ZDE.


Obr. 9 - moje oblíbená používaná anténa

Jako signalizační Led používám s oblibou červené, s označením L-R732R. Je pravda, že ke dražší než některé obdobné z Číny, ale vzhledově je mnohem lepší. Jestliže nehraje vzhled až takovou roli, můžete zvolit obdobné - třeba tyto. Obvykle obsahují rezistor o přibližné hodnotě 540 Ohmů. To zabezpečí bezpečné připojení k 12V. Můžete je použit i pro indikaci na 5V větvi, jen bude svítit slaběji. Nebo najít obdobné, ale pouze v pouzdře a rezistory tam dát podle mého plánku. Možná si říkáte, že používám odpor s mnohem větší hodnotou, ale to používám z důvodu snížení jasu. Také jsem v plánku zohlednil to, aby obě diody svítily s hodně podobnou intenzitou.


Obr. 10 - signálka L-R732R

Nyní ještě hledám nějaký hezčí vypínač, ale zatím mám instalován klasický páčkový. Sice vzhledově nic moc, ale zase snese i 5A. To může být rozhodující v případě použití nějakých více připojených zařízení. Nějaký vybraný sice mám, ale ještě jsem ho tam nemontoval (dostupné_na_klik_ZDE).V krajním případě zvolím nějaký s IP 44 či lepším a umístím ho někam na krabičku. Ale to už jsou jenom detaily.

A jako poslední poznámka se týká licence Win10. Pokud chcete ušetřit několik tisíc, můžete zvolit tzv. druhotnou licenci. Právní výklad se nachází třeba ZDE_-_dostupné_na_klik. Přestože nikterak není právně upraveno používání druhotné licence pro podnikatelské účely, zdá se mi mnohem jednodušší využívat tuto možnost pouze pro soukromé účely. Pokud svojí astronomickou činností generujete zisk (IČO,DIČ), zdá se mi výhodnější použít normální licenci.  Opakuji ale, že právně tato varianta není zakázána.
návštěvníků stránky
celkem241 721
tento týden532
dnes124